Menu
米兰app官网
关于新桥
新桥简介
组织架构
合作院校
企业荣誉
企业文化
米兰app官网
公司新闻
新硫快讯
产品介绍
安全环保
科技创新
人力资源
人才战略
联系我们
x
全站搜索
搜索
当前位置:
米兰app官网
>
安全环保
安全环保
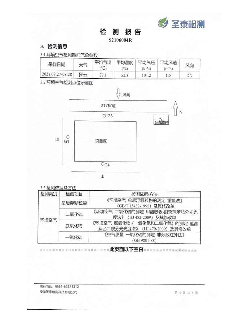
矶山风井24小时环境空气检测报告
发布时间:
2021-11-08 09:40
阅读次数:
8429
分享:
铜陵化工集团米兰app官网2022年外排水自行监测指标
铜陵化工集团米兰app官网露天转地下开采采矿技改工程(一期)竣工环境保护报告
华体网页版登录入口
|
MILAN.COM
|
MILAN.COM(中国)有限公司
|
安博登录
|
千亿球友会(中国)官方网站
|
星空·综合体育(中国)官方网站-登录入口
|
华体会主页|HTH登陆入口网页
|
星空官方网页版
|
milan米兰体育网址
|